
The Sallen-Key is a 2-pole active filter. A low pass filter is shown on the schematic. To make a high pass filter replace the resistors with the capacitors and the capacitors with the resistors. To make higher order filters place 2-pole filter sections in series with the lower Q filter sections before the higher Q filter sections to avoid signal clipping.
Only polynomial filters can be implemented with this filter. Filters with zeros can not be implemented with the Sallen-Key filter.
The schematic diagrams shows the filter and the equivalent circuits for the mathematical derivation of the Sallen-Key circuit. The circuit equations can be derived using loop, node or a Thevenin's equivalent circuit. The Thevenin's method has been used.


A method to find the component values for a Sallen-Key active filter

Example: Find the component values for a 2-pole Butterworth low pass active filter with a 5 KHz cutoff frequency

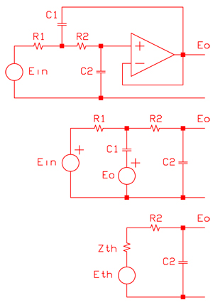
2-Pole Inverting Low Pass Active Filter

To make higher order filters place 2-pole filter sections in series with the lower Q filter sections before the higher Q filter sections to avoid signal clipping.
Only polynomial filters can be implemented with this filter. Filters with zeros can not be implemented with this 2-pole inverting low pass filter.
The schematic diagrams shows the filter and the equivalent circuits for the mathematical derivation of the circuit. The circuit equations can be derived using loop, node or Thevenin's equivalent circuits. The Thevenin's method has been used.


A method to find the component values for the 2-Pole Inverting Low Pass active filter

Example: Find the component values for a 2-pole Butterworth low pass active filter with a 5 KHz cutoff frequency
