
The state variable active filter is a 2-pole filter. To make higher order filters place 2-pole sections in series with the lower Q filter sections before the higher Q filter sections to avoid signal clipping.
Both polynomial and ratio of polynomials filters (filters with zeros) can be implemented with the state variable filter.
The schematic diagram shows the filter with an output summing amplifier. E1 is the high pass output, E2 is the bandpass output and E3 is the lowpass output. By adding the lowpass and highpass outputs together a filter with zeros can be implemented. The circuit equations have been derived by inspection assuming ideal amplifiers.


A method to find the component values for a state variable active filter with 3 amplifiers

Example: Find the component values for a 2-pole Maximally Flat At Origin low pass active filter with a 5 KHz cutoff frequency, 3 dB attenuation at the cutoff frequency and 20 dB minimum attenuation in the stopband

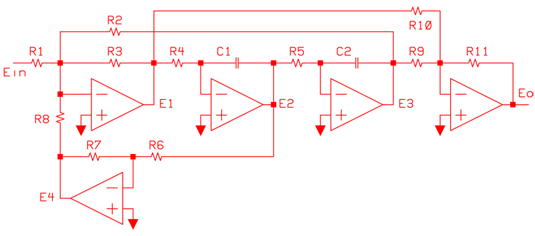
The schematic diagram shows the filter with an output summing amplifier. E1 is the high pass output, E2 is the bandpass output and E3 is the lowpass output. By adding the lowpass and highpass outputs together a filter with zeros can be implemented. The circuit equations have been derived by inspection assuming ideal amplifiers.


A method to find the component values for a state variable active filter with 4 amplifiers

Example: Find the component values for a 2-pole Maximally Flat At Origin low pass active filter with a 5 KHz cutoff frequency, 3 dB attenuation at the cutoff frequency and 20 dB minimum attenuation in the stopband
